Tegin Wis'i järgi ühe tabeli.
Otsing leidis 131 vastet
- R Okt 10, 2008 19:01
- Foorum: 9-5
- Teema: K:Kas 288mm või 308mm?
- Vastuseid: 15
- Vaatamisi: 2664
- K Sept 10, 2008 6:30
- Foorum: NG 900 9-3
- Teema: Peegli sobivus?
- Vastuseid: 1
- Vaatamisi: 1252
Peegli sobivus?
Kas NG900/9-3OG peeglisisud sobivad 9-5 98-02? Koodid on küll erinevad, aga olen paarilt müüjalt saanud vastakaid arvamusi...sellest ka küsimus. Tänud
- N Sept 04, 2008 6:31
- Foorum: NG 900 9-3
- Teema: Saab 9-3 Aero, 2001, similar
- Vastuseid: 60
- Vaatamisi: 22036
Saab 9-3 Aero, 2001, similar
Kliirensi pärast ei peaks muretsema, mingi 20mm allpool on alumine võrreldes originaaliga. Vaheseibe peab panema. Ise lasin teha kaks 12mm paksust terasklotsi.
Tõsi jah, Jürgen, eks vaatab, mis kevadeks esipamprist järel on... :red:
Tõsi jah, Jürgen, eks vaatab, mis kevadeks esipamprist järel on... :red:
- P Aug 31, 2008 18:46
- Foorum: NG 900 9-3
- Teema: Saab 9-3 Aero, 2001, similar
- Vastuseid: 60
- Vaatamisi: 22036
- P Aug 31, 2008 18:43
- Foorum: NG 900 9-3
- Teema: Saab 9-3 Aero, 2001, similar
- Vastuseid: 60
- Vaatamisi: 22036
Saab 9-3 Aero, 2001, similar
Stabikavarda ülesandeks on auto kurvivälist külge allasuruda, kurvisisest kergitada. Seega hoida autot kurvis võimalikult palju teega kontaktis. Samuti lisada stabiilsust kiirendamisel, kui üks esiratastest kaotab haardumise. NG/9-3 varras ei täida oma funktsiooni piisavalt hästi; teise lisamine on ...
- L Aug 23, 2008 11:32
- Foorum: NG 900 9-3
- Teema: Saab 9-3 Aero, 2001, similar
- Vastuseid: 60
- Vaatamisi: 22036
Saab 9-3 Aero, 2001, similar
(entusiastlikult) Jaa! Soovitan igale NG/OG 9-3 omanikule lisada 1 stock või vahetada orig varras 22mm vastu välja. Alusraamile tahaks ka millalgi tugevduse lisada, vaskapoolset pakub speedparts, teine tuleb kas UKst või USAst tellida. Hinnavahe rohkem kui kahekordne esimese kasuks muide. Ringrajale...
- L Aug 16, 2008 11:34
- Foorum: NG 900 9-3
- Teema: Saab 9-3 Aero, 2001, similar
- Vastuseid: 60
- Vaatamisi: 22036
- E Aug 11, 2008 18:08
- Foorum: NG 900 9-3
- Teema: K: Eksinud vaakumvoolik?
- Vastuseid: 12
- Vaatamisi: 2510
K: Eksinud vaakumvoolik?
enrico: vaata mu eelmist postitust, see voolik leidis oma kodu
võib lukku panna
võib lukku panna
- P Aug 10, 2008 18:15
- Foorum: NG 900 9-3
- Teema: K: Eksinud vaakumvoolik?
- Vastuseid: 12
- Vaatamisi: 2510
K: Eksinud vaakumvoolik?
Aitäh :thumb:
- P Aug 10, 2008 15:39
- Foorum: NG 900 9-3
- Teema: K: Eksinud vaakumvoolik?
- Vastuseid: 12
- Vaatamisi: 2510
K: Eksinud vaakumvoolik?
aku tuulutus pole kindlasti - tolle vooliku eemaldasin(uuel akul pole vajalik), kui uue aku panin...
edit: mitte lihtsalt ei ühendanud lahti vaid eemaldasin ja asetasin prügikasti :)
edit: mitte lihtsalt ei ühendanud lahti vaid eemaldasin ja asetasin prügikasti :)
- P Aug 10, 2008 14:41
- Foorum: NG 900 9-3
- Teema: K: Eksinud vaakumvoolik?
- Vastuseid: 12
- Vaatamisi: 2510
K: Eksinud vaakumvoolik?
auto on alt täiesti kuiv, tagaklaasipesur toimib, aga tänud
tulepesurid ka toimivad, pealegi on pesuveevoolikud suhteliselt õhema seinaga
tulepesurid ka toimivad, pealegi on pesuveevoolikud suhteliselt õhema seinaga
- P Aug 10, 2008 14:08
- Foorum: NG 900 9-3
- Teema: K: Eksinud vaakumvoolik?
- Vastuseid: 12
- Vaatamisi: 2510
K: Eksinud vaakumvoolik?
auto alt, vasakul pool, käigukasti lähedal oli lahtine ots, aga kuna see on üsna pikk, siis võis sinna kanti sattuda kust iganes
- P Aug 10, 2008 11:04
- Foorum: NG 900 9-3
- Teema: K: Eksinud vaakumvoolik?
- Vastuseid: 12
- Vaatamisi: 2510
K: Eksinud vaakumvoolik?
Jäi nö üle üks vaakumvoolik?(1.1m pikk, 6mm siseläbimõõt, 12mm välisläbimõõt), kuidagi ei suutnud enam leida kohta kuhu ühendada(üks ots oligi lahti kui selle kogemata välja tõmbasin) :fight:
- K Juul 09, 2008 19:10
- Foorum: NG 900 9-3
- Teema: Saab 9-3 Aero, 2001, similar
- Vastuseid: 60
- Vaatamisi: 22036
Saab 9-3 Aero, 2001, similar
Tasapisi muretsesin amordid, vedrud ja puksid. Jaani ajal tegutsesin auto all ja tegin käändtelgedega tööd(pilte pole aga ettekujutuse saab siit: käändelg ) et millalgi ei juhtuks nii (amort on eraldunud koos käändtelje ülemise osaga) krr sarnane jama /2 Amortideks on nüüd bilstein B8 ja vedrud eiba...
- K Juul 09, 2008 18:14
- Foorum: NG 900 9-3
- Teema: Saab 9-3 Aero, 2001, similar
- Vastuseid: 60
- Vaatamisi: 22036
Saab 9-3 Aero, 2001, similar
Küll see talv oli ikka lumine... ;)
- R Mär 28, 2008 18:25
- Foorum: NG 900 9-3
- Teema: Saab 9-3 Aero, 2000, rohelinekonn
- Vastuseid: 5
- Vaatamisi: 2438
Saab 9-3 Aero, 2000, rohelinekonn
Coupe Aero näeb kena välja ikka. Veljed ja oranžid suunakad :head: sobivad hästi!
ivomets'a soovitus on vägagi asjakohane, tuleb lihtsalt midagi ohverdada, sõidumugavus peaks esmane olema(kuidas kellelegi muidugi...)
ivomets'a soovitus on vägagi asjakohane, tuleb lihtsalt midagi ohverdada, sõidumugavus peaks esmane olema(kuidas kellelegi muidugi...)
- L Mär 22, 2008 13:21
- Foorum: Loba
- Teema: Naljanurk (vabal teemal) (ei kommentaari!) vol3
- Vastuseid: 226
- Vaatamisi: 67646
- R Mär 21, 2008 20:46
- Foorum: 9-5
- Teema: Ei käivitu - Key not accepted
- Vastuseid: 8
- Vaatamisi: 2424
Ei käivitu - Key not accepted
Algselt postitas: crasher Puhastamine ei aidand piab vist laskma uue võtme teha. Aga äkki oskate ka aidata kust saax vaatata palju automaat kastis õli on? Ava kapott ja otsi u 10mm läbimõõduga kollast rõngast. Kui ei leia, tee mootoripesu :poke: Kui üles leiad, saad edasi juba ise hakkama? :)
- P Mär 02, 2008 20:31
- Foorum: Ostuabi
- Teema: Soov osta survepesuri
- Vastuseid: 40
- Vaatamisi: 10207
Soov osta survepesuri
Seegi peaks tööga hakkama saama ;)
http://tinyurl.com/2fkuqa
http://tinyurl.com/2fkuqa
alarm
Kuna sul kõik toimib... jääb kaks võimalust - proovid sireeni patareid ära vahetada või tellid VM'st uue sireeni. WIS'i järgi tähendab sõnum "SERVICE THEFT ALARM" otseselt vananenud patareisid. Et selles täiesti kindel olla - ühenda alarmi lõugamise ajal aku lahti. Patareid on sireenis akutoite katk...
- L Jaan 12, 2008 8:53
- Foorum: 9-5
- Teema: Tulede kõrguse regulaator
- Vastuseid: 7
- Vaatamisi: 2262
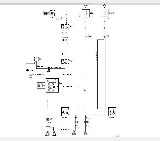
Tulede kõrguse regulaator
hm, minu laiskus...äkki on skeemist abi :thumb:
nr1 pildil - kaitse nr 31 salongis@nr2 - nr11 mootoriruumis
nr1 pildil - kaitse nr 31 salongis@nr2 - nr11 mootoriruumis
- R Jaan 11, 2008 19:57
- Foorum: 9-5
- Teema: Tulede kõrguse regulaator
- Vastuseid: 7
- Vaatamisi: 2262
Tulede kõrguse regulaator
kaitse muidu nr 31, aga selle alla käivad ka püsikiirusehoidja ja kliima...lüliti võib ju olla saba andnud
- E Jaan 07, 2008 13:41
- Foorum: Uudised maailmast
- Teema: Plug-In Hybrid, SAAB+VOLVO+teised
- Vastuseid: 21
- Vaatamisi: 4577
Plug-In Hybrid, SAAB+VOLVO+teised
Ega see subaru minivan, millest juttu oli pole mitte seesama - http://www.tehnikamaailm.ee/est/cars/misc/2007/05/?headerID=923 ? Tegemist soomlaste poolt ümberehitatud subaru libero'ga. elcat.fi kodulehel on infi... Linnas sõitmiseks päris asjalik, "kütusekulu" 24kw/h 100km kohta. Aga maanteele sell...
- R Jaan 04, 2008 15:54
- Foorum: Loba
- Teema: Külm teeb autole liiga
- Vastuseid: 125
- Vaatamisi: 20845
Külm teeb autole liiga
OT: fofa, äkki pajatad, kas Pekingis Saabe ka
:drive: oled näinud?
:drive: oled näinud?
- T Dets 25, 2007 23:50
- Foorum: Elektroonika
- Teema: Eelsoojendi käivitamine
- Vastuseid: 155
- Vaatamisi: 40527
Eelsoojendi käivitamine
Algselt postitas: rantto Küsimus: Kus 9-5 2,2 diislil asub see Heater? Kas samal kohal kus OG 9-3l? Algselt postitas: eeroz Peaks samas kohas olema vist, kapotialla vaadates mootori taga seinas, vasakul poolel. Siin on juhendid webasto eelsoojendi paigaldamiseks. Kahjuks või õnneks on Saabi kohta k...
