Tere,
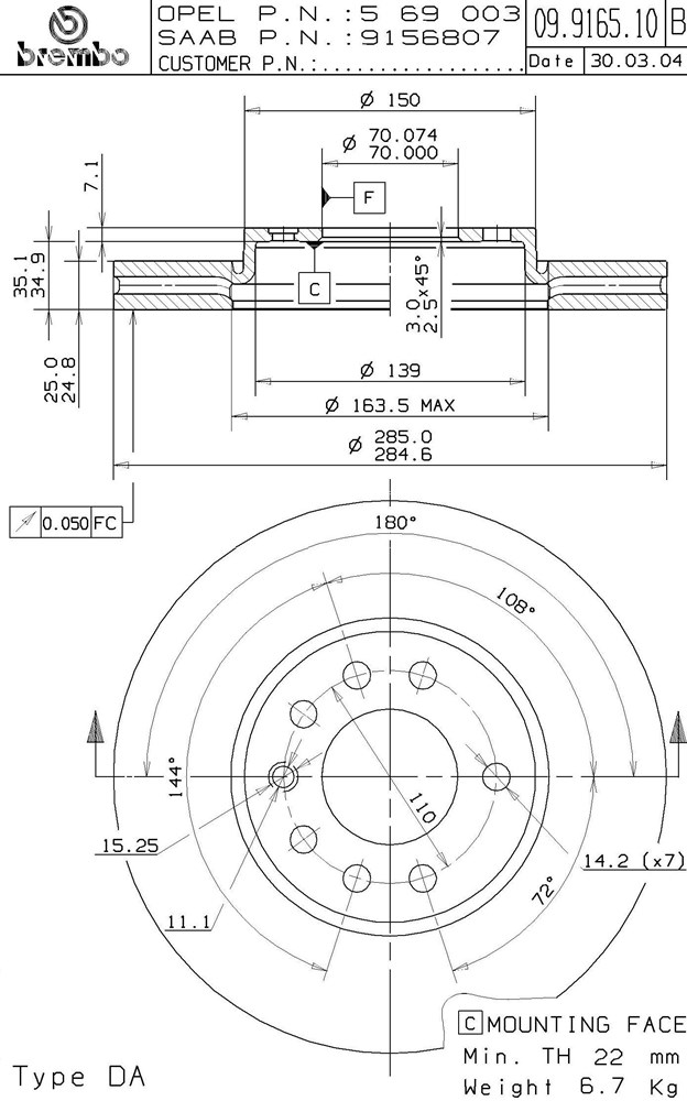
Minu varasemast 2003 9-3T saabiajastust on garaazi jäänud kmpl uusi BREMBO esimesi pidurikettaid. Tootja kood 5415; 09.9165.10. Mõõt 285x25mm. Veebilehe http://bremboaftermarket.com alusel sobib kõigele 1.8; 1,9TiD, 2,0; 2,2TiD, 2,8V6 jne, millel on tehasest 285x25mm kettad all. Kettad on avamata pakendis, asuvad Tallinnas.
Hinnasoov 40€/kmpl ehk 2 tk. Kui vaja saab ka arve, siis lisandub km 20%.
Kuna ma aktiivne foorumikasutaja ei ole, siis kontakti saab telefonil 50-13-171 või vahur . err (@) gmail . com
NB! lisaks sobivad kettad ka lugematutele eri mootoriversioonidega sama ajastu Opel Vectra'tele, Signum'itele, jne.
terv.
Vahur
Lisatud failid
