1. leht 1-st

O/L: Saab 900 (1988-89) kommutaator

Postitatud: P Mai 29, 2016 20:38
Postitas Ilts
Ostan või laenan testimiseks Saab 900-le sobiva töökorras kommutaatori, mille pistik on nelja klemmiga ning korpusest tuleb kaks juhet otse süütepoolile.

Pilt

Kontakt: U2U, ilmar91@gmail.com,

O/L: Saab 900 (1988-89) kommutaator

Postitatud: E Mai 30, 2016 9:55
Postitas 13piisab
paistis kuidagi tuttav ja paar märksõna guuglisse lüües paistabki sama asi:
https://www.google.se/search?q=c20xe+ignition+coil&biw=1680&bih=949&source=lnms&tbm=isch&sa=X&ved=0ahUKEwjHpcfimoHNAhXIDZoKHRyWBMEQ_AUIBigB&dpr=1

konkreetne tehnika on Motronic 2.5 Opeli oma (2.0 110kW perioodist 1988-1992; pärast 1992 tuli juba coilpackiga Simtec), aga mu meelest on ka Motronic 1.5 puhul (see oli nii FWD kui RWD masinatel väga levinud 2.0/85kW) sama süütepool.

O/L: Saab 900 (1988-89) kommutaator

Postitatud: E Mai 30, 2016 21:53
Postitas Ilts
Saabil on LH 2.2 ja 2.4.2 hübriid, pole 100% kindel, et Saabi IECU oskab selle mooduliga suhelda, kuigi pin'e on sama palju. Aga hea viide sellegipoolest. Jätan selle varuvariandiks.

On lootust, et saan uue asja 1-2 päeva jooksul. Suurem osa varuosapoode ütles, et ei ole saadaval või tarneaeg 3-4 nädalat. Odav ta muidugi ei tule, aga 4 nädalat oodata ka ei taha...

O/L: Saab 900 (1988-89) kommutaator

Postitatud: E Mai 30, 2016 22:15
Postitas saabu
tootekoodi pole peal kirjas? kui opelil sama või väga sarnane, siis võib täiesti toimida.

O/L: Saab 900 (1988-89) kommutaator

Postitatud: T Mai 31, 2016 1:09
Postitas S9K
Tegelikult peaks see ju suht lamp transistor seal sees olema? Golfidel jne sama teema. Mitsubishi Pajerol ka samamoodi. Kolme klemmiline on eriti lihtne veel. Vool sisse, vool välja ja signaaliga avab.

O/L: Saab 900 (1988-89) kommutaator

Postitatud: T Mai 31, 2016 23:16
Postitas Ilts
Tootekood on pealt lahkunud. Sain täna 50€-ga uue. Kommutaatori kronsa toimib ka radikana. Aga tolku ei midagi, ikka kakub ja jätab vahele. Laenan ossi ja lähenen sellega õhulugejale jm anduritele (CPS).

O/L: Saab 900 (1988-89) kommutaator

Postitatud: K Juun 01, 2016 13:37
Postitas aatom
Õhulugeja peal ossiga pole eriti miskit teha, aga kontrollida saad, vaadates seda minu teemat (masin kah puterdas).
Samas "Crank seansor"-i vist küll.
See vahetatud vidin tundub küll lihtsalt lülitustransitor + võib-olla veel miskit sisendis olema.
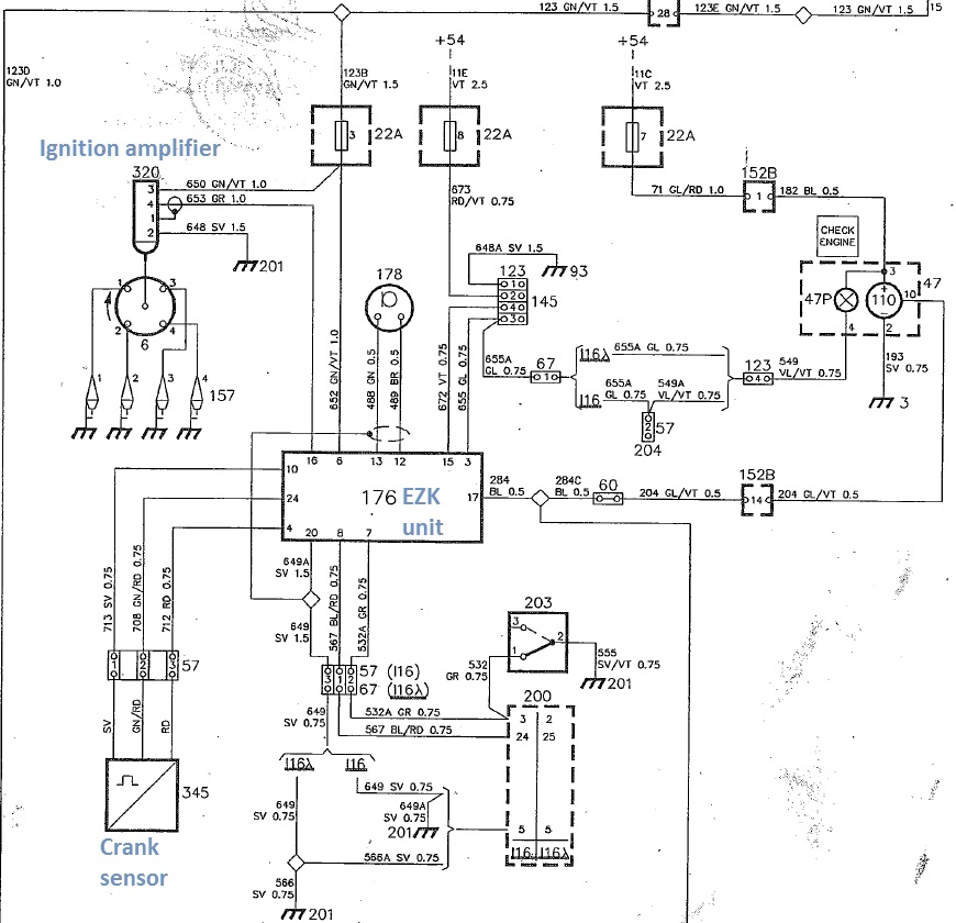
Vast on see õige (sinu masina) elektriskeem:



Lisatud failid