Juhtus selline lugu, et abikaasa kurtis, et pidurid ei võta, ühes kurvis telemastist Muuga poole keerates kadusid pidurid ära. Mina proovisin järgmisel päeval, jätsin asfaltile 4 musta jutti ja ilmselt ka mõne naela. Käisin autoga linnas ära ja kõik toimis, kuid koju tagasi sõites juhtus ka minult sama asi täpselt samas kurvis. Proovisin pidureid ja justkui pidurdaks ainult kaassõitja poolset tagumist ratast. Õli on normis, piduri peasilinder vahetatud paar aastat tagasi uue vastu.
Veel sümptomitest: pedaal ei vajunud sujuvalt ega pehmelt põhja nagu siis, kui õhk sees on, lihtsalt ühe kohani sai vajutada ja siis ratas blokeerus.
Ma eeldan, et ühe pidurikontuuriga on mingi jama. Kas sel kontuuril on veel mingi klapp, mis jagab survet kahe ratta vahel ja sellega on miskit juhtund? Või on peasilindris miskit juhtunud? Või veel miskit muud?
Pidurimure klassikul
- ivomets
- Vanasaabikala
- Postitusi: 7438
- Liitunud: N Apr 22, 2004 18:39
- Asukoht: Suvepealinn
- Auto: Saab 96 , Saaburu, Subaru
sinna mansettide vahele võib jääda kõiksugu soga, mis ei lase tihedalt tal vastu silindri äärt olla
KUI AUTO ON KATGI TOO OMA AUTO IVOMETSA SOJA GARAZI
Keevitan, värvin, keeran mutreid kinni ja lahti.
- ivomets
- Vanasaabikala
- Postitusi: 7438
- Liitunud: N Apr 22, 2004 18:39
- Asukoht: Suvepealinn
- Auto: Saab 96 , Saaburu, Subaru
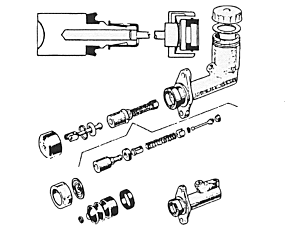
kas kellegil piduri peasilindri joonist kah on?
tahaks teada kuidas pidi mansetid käivad?
kas üks on teistele vastassuunas?
tegelt oleks vaja tervet peasilindrit. ei pea töötama
kuna enda omas oli sees üks polt nii kõvasti kinni, et keerasin kandid maha.
tahaks teada kuidas pidi mansetid käivad?
kas üks on teistele vastassuunas?
tegelt oleks vaja tervet peasilindrit. ei pea töötama
kuna enda omas oli sees üks polt nii kõvasti kinni, et keerasin kandid maha.
KUI AUTO ON KATGI TOO OMA AUTO IVOMETSA SOJA GARAZI
Keevitan, värvin, keeran mutreid kinni ja lahti.
Algselt postitas: ivomets
kas kellegil piduri peasilindri joonist kah on?
tahaks teada kuidas pidi mansetid käivad?
kas üks on teistele vastassuunas?
tegelt oleks vaja tervet peasilindrit. ei pea töötama
kuna enda omas oli sees üks polt nii kõvasti kinni, et keerasin kandid maha.
Ma ühe Girlingi joonise võrgust leidsin, see pole vist küll klassiku oma, aga vaevalt, et sisu poolest mingit vahet on
Ega nii pole kunagi olnd, et kuidagi ei saa, kuidagi ikka SAAB! :P
