• Kiirlingid
    • Vaata vastamata teemasi
    • Otsi
  • Viimased 24h
  • Reeglid
  • Fotoalbum
  • Facebook
  • Logi sisse
  • Registreeru
  • Foorumi pealeht Tehniline NG 900 9-3
  • Otsi

NG900 tagumiste amortide puksid

Autod, mille tootmisel GM-i käsi juba kõvasti mängus on.
Vasta
  • Printerivaade
Täiendatud otsing
1 postitus • 1. leht 1-st
Vitautas
Postitusi: 435
Liitunud: T Juun 03, 2008 18:52
Asukoht:
Auto:

  • Tsiteeri

#1

K Juun 11, 2014 20:06

Tere.
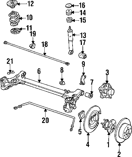
Oskab keegi ehk soovitada kust saaks leida alloleval pildil nr 14 ja 15 pukse. Tavalised autovaruosade kauplused seni pole abiks olnud.
Tänudega!



18.06.13. - Läksid vanad aga kobedad tagasi alla.

Lisatud failid
Üles
Vasta
  • Printerivaade
1 postitus • 1. leht 1-st

Mine “NG 900 9-3”

Hüppa
  • Üldine
  • ↳   Ametlikud teated
  • ↳   Ettepanekud
  • ↳   Kokkutulekud
  • ↳   Saabikaup
  • ↳   Lugejate autod
  • ↳   Saabo, Toppola, jms.
  • ↳   92, 93, 94, 95, 96, 97
  • ↳   90, 99, 900(klassik), 600
  • ↳   9000
  • ↳   NG 900 9-3
  • ↳   9-5
  • ↳   9-3 SS ja SC
  • ↳   9-2X ja 9-7X
  • ↳   NG 9-5
  • ↳   Tarkuseterad
  • Eesti Saabiklubi
  • ↳   Teated
  • Tehniline
  • ↳   92, 93, 94, 95, 96, 97
  • ↳   90, 99, 900(klassik),600
  • ↳   9000
  • ↳   NG 900 9-3
  • ↳   9-5
  • ↳   9-3 SS ja SC
  • ↳   9-2X ja 9-7X
  • ↳   NG 9-5
  • ↳   Diiselmootorid
  • ↳   Tuuning
  • ↳   Hooldus
  • ↳   Elektroonika
  • ↳   Helitehnika
  • ↳   Veermik, kere, sisustus
  • Osta-Müü-Vaheta
  • ↳   Autod
  • ↳   Varuosad
  • ↳   Rehvid, veljed
  • ↳   Ostuabi
  • ↳   Pakkumised
  • ↳   Helitehnika
  • ↳   Muu kraam
  • Varia
  • ↳   Uudised maailmast
  • ↳   Loba
  • ↳   Lingikogu
  • ↳   Pildid
  • International
  • ↳   International
  • Foorumi pealeht
  • Kõik kellaajad on UTC+03:00
  • Kustuta kõik foorumi küpsised
  • Kontakt
 

 

Powered by phpBB™ • Design by PlanetStyles
Estonian translation by phpBBestonia [Exabot] © 2008*-2020