Pärast mitut talve ja suuri arveid saabidega tegelevatest ettevõtetest sain lahenduse murele, et miks eelsoojendi mootori käivitamisel läheb tööle aga SID-ist pannes timeriga või manuaalselt korra läheb ja siis nö sureb välja.
Põhjustajaks on tsirkulatsiooni pump mis asetseb piduripumba all, suht halvas kohas, kuid kui logar ära võtta ja pealtpoolt kaitsmekarp koos akuga, siis mahub naisterahva käsi ligi juba.
Originaal pump maksab midagi 2000.- ringis aga B-osa pumba saab kätte tuhande krooni ringis.
Eelsoojendi töötab/ei tööta lahendus
Algselt postitas: SaabomikAlgselt postitas: S9K
Pakun, et 9-5, sest nimekirjas olevad teised sõidukid on liiga vanad, et SID-i omada.
Minuteada on ka 9 3 mudelitel SID iseasi kas sealt ahju juhtimist reguleerida saab![]()
9-3 sid juhib küll ahju aga S9K pidas silmas et teemaalgataja profiilis olevatel teistel autodel pole SID-i
Speedlink oü - 53047979
Lunotel oü
Lunotel oü
Algselt postitas: kurimees
9-3 el saab ikka regullida sid-ilt,panin just homme hommikul 7.00 iks sumisema .Ka mina olen seda pumpa vahetanud.Ps ,pumpa annab ka parandada(kuluma kipuvad harjad)
Ma pole seda veel lahti küll kiskunud, kui aus olla, siis ei teagi kuidas see võimalik on ja kas pärast pidama ka jääb, ehk siis jagad äkki õpetussõnu, siis saab veelgi soodsamalt.
Tegu siis 9-5 88kw diisliga
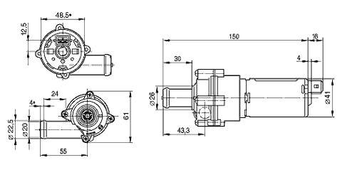
Kui sul pump selline,nagu pildil,siis nõkerda pistikopoolsed metallkinnitused lahti,seejärel saad kätte selle osa,kus harjad sees,osta poest uued harjad ja jooda külge ,siis kõik kokku tagasi ja voila(see toimib juhul,kui just mähis läbi pole)
Lisatud failid
Lisatud failid
Ole siis hoolikas,kuna suht keberniit neid kinnitusi lahti koukida,mina suutsin pisikese kruvikeeraja läbi pöidla vajutada
. PS,ennem kui lammutuse ette võtad,siis veendumaks,et viga ikka harjades,pane eelsoojendus tööle ja katsu,kas pump töötab,kui ei,siis kopsi kruvikaga selle korpuse pihta,kui seepeale tööle hakkab,kasvõi natukeseks,siis vast 99% kindlalt harjateema.Meeldivat nädalavahetust ja kruvikas näppu 
Üldiselt peaks olema nii,et kui tsirkulatsioon puudub,siis mingi termorelee lülib eelsoojendi ahju kohe välja,vältimaks ülekuumenemist.Suitsemist põhjustab õhu-kütuse hulga muutus(liiga palju kütust või ka hoopis vähe.).Ka mõjutab eelsoojendi tööd tahm,mis võib koguneda kehva põlemise tõttu.
Pole ehk täpselt see,mida teha sõidumasina eelsoojendiga,aga bussi eelsoojendist sai tahma nn.pauguga välja aetud : Vana töökinnas väljalasketoru ette veidiks ja siis käis väike mütsakas ja hea hulk musta suitsu koos tahmaga väljus
Eks soojendiga sama lugu,et nõuab korralikku kütust ja sh.ka teatud aja tagant filtri vahetust,kuna umbes filtriga ei hakka ka eelsoojendi korralikult tööle.
Oma töömasinal olen eelsoojendit käivitatanud ka vahel suvisemal ajal,soovitatakse seda teha kord kuus.Samas ei usu,et Saabi ahjudele tootja sellist soovitust annab.
Pole ehk täpselt see,mida teha sõidumasina eelsoojendiga,aga bussi eelsoojendist sai tahma nn.pauguga välja aetud : Vana töökinnas väljalasketoru ette veidiks ja siis käis väike mütsakas ja hea hulk musta suitsu koos tahmaga väljus
Eks soojendiga sama lugu,et nõuab korralikku kütust ja sh.ka teatud aja tagant filtri vahetust,kuna umbes filtriga ei hakka ka eelsoojendi korralikult tööle.
Oma töömasinal olen eelsoojendit käivitatanud ka vahel suvisemal ajal,soovitatakse seda teha kord kuus.Samas ei usu,et Saabi ahjudele tootja sellist soovitust annab.
Kütusekulu leiad siit, lk. 5
http://www.eberspacher.com/downloads/te ... hnical.pdf
Mind aga huvitab, kui kaua ahi töös on, kui see manual stardiga käivitada? Eile oli näiteks õues +2 ja töötas mul ainult 6 minutit ja jäi vagusi. On asi jälle p..s või? Äkki ta ei peagi täitsa saunaks kütma.
Kurimees, töötava mootoriga kohapeal ei saa salongi kiirelt soojaks:(
http://www.eberspacher.com/downloads/te ... hnical.pdf
Mind aga huvitab, kui kaua ahi töös on, kui see manual stardiga käivitada? Eile oli näiteks õues +2 ja töötas mul ainult 6 minutit ja jäi vagusi. On asi jälle p..s või? Äkki ta ei peagi täitsa saunaks kütma.
Kurimees, töötava mootoriga kohapeal ei saa salongi kiirelt soojaks:(
- ivomets
- Vanasaabikala
- Postitusi: 7687
- Liitunud: N Apr 22, 2004 18:39
- Asukoht: Suvepealinn
- Auto: Saab 96 , Saaburu, Subaru
äkki keegi aitab kah hea nõuga: lugu selline et ahi ei tööta:
manuaalselt käivitades lähevad tööle vee tsirkulatsioonipump ja autos ventilaator; ahju juures ei toimi nagu midagi.
sai ahi eemaldatud ja küünal kontrollitud- töötab; siis veel termokitsmed mõõdetud. 2 tk olid mingid13.5 ohmi ja üks oli 1.1 ohm.
ei tea muidugi mis olema peavad.
muidugi ei tea ma ka kuidas kütus sinna ahju pumbatakse. kuskil äkki mingi pump, mis äkki ei tööta ja ongi kõik, ahi ei saa kütet peale . samas ahjus vent ka tööle ei lähe.
kas saabi enda sid-i pealt selle ahju veakooode kätte ei saa?
igaljuhul kõik mõtted teretulnud, sest see ahi on parim asi, mis saabil üldse olla saab!!!:thumb:
manuaalselt käivitades lähevad tööle vee tsirkulatsioonipump ja autos ventilaator; ahju juures ei toimi nagu midagi.
sai ahi eemaldatud ja küünal kontrollitud- töötab; siis veel termokitsmed mõõdetud. 2 tk olid mingid13.5 ohmi ja üks oli 1.1 ohm.
ei tea muidugi mis olema peavad.
muidugi ei tea ma ka kuidas kütus sinna ahju pumbatakse. kuskil äkki mingi pump, mis äkki ei tööta ja ongi kõik, ahi ei saa kütet peale . samas ahjus vent ka tööle ei lähe.
kas saabi enda sid-i pealt selle ahju veakooode kätte ei saa?
igaljuhul kõik mõtted teretulnud, sest see ahi on parim asi, mis saabil üldse olla saab!!!:thumb:
KUI AUTO ON KATGI TOO OMA AUTO IVOMETSA SOJA GARAZI
Keevitan, värvin, keeran mutreid kinni ja lahti.
- turuplats
- Postitusi: 387
- Liitunud: R Sept 17, 2010 21:43
- Asukoht: Tartu
- Auto: 2 x Saab 9-5 1.9
- Kontakt:
Mul läks ahi just remonti. Samuti ei võtnud üldse järele miskit, tuli välja et süsteem oli ennast kindluse mõttes lukku pannud. Nüüd järgmiseks ei läinud ahjuvent käima, kahtlustatakse kas seismisest lihtsalt kinni jäänud, või klemmid nässus või siis mida ei tahaks on aju küpse.
Varsti saame teada.
Varsti saame teada.
iphonede ja ipadide remont
- Scorps
- Postitusi: 142
- Liitunud: K Aug 10, 2011 20:11
- Asukoht: Tallinn
- Auto: Saab 9-5 2009 1.9 TiD 129 kW
Mulle näiteks öeldi Anti juures, et see eelsoojendus alla 0-kraadise temperatuuriga üldse tööle ei lähegi. SID-ist saab ta sisse lülitada küll, salongivent hakkab tööle, kuid kapoti all midagi kuulda küll pole ja sooja kah ei tule. Miinuskraade pole sel sügisel kah muidugi veel ette tulnud.
Samas saab soojenduse ju aktiveerida ka mootori töötades, kui SID'i mõlemat noolenuppu paar sekundit all hoida, peaks idee poolest mootorit kiiremini soojendama. Kas sellisena peaks ta toimima ka siis, kui näiteks pump rikkis on või üldse puudub?
Samas saab soojenduse ju aktiveerida ka mootori töötades, kui SID'i mõlemat noolenuppu paar sekundit all hoida, peaks idee poolest mootorit kiiremini soojendama. Kas sellisena peaks ta toimima ka siis, kui näiteks pump rikkis on või üldse puudub?
- turuplats
- Postitusi: 387
- Liitunud: R Sept 17, 2010 21:43
- Asukoht: Tartu
- Auto: 2 x Saab 9-5 1.9
- Kontakt:
Minu ahjul oli aju läbi, tehti korda. Pandi uus sõel ja tihendid ning puhastati seest ning väljalasketoru.
Nüüd õues +10 manuaalselt käima pannes viskas korra suitsu ja edasi töötas vaikselt ja salongi hakkas kohe sooja tulema. Nüüd ootame veel miinuskraade
Nüüd õues +10 manuaalselt käima pannes viskas korra suitsu ja edasi töötas vaikselt ja salongi hakkas kohe sooja tulema. Nüüd ootame veel miinuskraade
iphonede ja ipadide remont
Äkki siin keegi viitsib lahti seletada kuidas saab Saab 9-3 2,2 85 kw SID iga panna programmi näiteks et hommikuti mingil kellaajal asi tööle hakkaks või siis paneks mingi õpetuse lingi milliseid nupe peab vajutama!Kuna endal saksakeelne õpetus,siis essugi aru ei saa mida teha,oleks hea kui oleks ingliskeelne õpetus või veel parem venekeelne.Muidu mõnikord hommikuti on eelsoojendus juba ise automaatselt autot käima pannes tööle hakkanud,mõnus asi ikka,vähe aja pärast juba salongi sooja õhku tuleb,aga tahks just et programmiga mingil kella ajal asi ise tööle hakkaks ilma autot käima panematta!
- turuplats
- Postitusi: 387
- Liitunud: R Sept 17, 2010 21:43
- Asukoht: Tartu
- Auto: 2 x Saab 9-5 1.9
- Kontakt:
Pole ka veel täitsa sinapeal ahjuga. Panin õhtul siis kellaaja paika ja hommikul autosse minnes ei puhunud salongi sooja, mootor oli ise küll soojaks aetud. Mis kus muutma peaks või kuidas see salongi ka kütma hakkaks. Võis +5 umbes kraadiga ei hakkagi?
iphonede ja ipadide remont
- turuplats
- Postitusi: 387
- Liitunud: R Sept 17, 2010 21:43
- Asukoht: Tartu
- Auto: 2 x Saab 9-5 1.9
- Kontakt:
Vajutad SID- il suva nuppu, siis edasi pluss märgiga tulevad HEATER 1, HEATER 2, HEATER 3, MANUAL START. Seal saad siis 3 kellaaega oma panna mällu. Valid HEATER 1, hoiad SET nupp all siis paned kellaaja paika.
iphonede ja ipadide remont

