piktogramm näitab valet asja + tonnise tehasesignast

Teemad elektroonikast...
Factor
Postitusi: 701
Liitunud: N Okt 14, 2004 11:59
Asukoht:
Auto:

#26

E Dets 19, 2005 23:19

Algselt postitas: sebastian
Ehk keegi teab, kas kõrvalistuja ukse võtme keeramine mõjutab teisi uksi?

Minu Saabikul mitte, (muidugi pean silmas seda hetke, mil lukk otsustab töödata).

Kuid minumeelest piktogrammiga on ikka lülitid uksepostides kah seotud. Järeldan sellest, et kui ust veidike irvakil hoida, nii et ukse sulgur lahti aga lüliti jub areageerib, siis küll piktogramm on kustus. Kuid ei ole kindel selles viimases, homme vaatan järgi.
Vabandage neiu, mis kell on.... mul seisab
Factor
Postitusi: 701
Liitunud: N Okt 14, 2004 11:59
Asukoht:
Auto:

#27

T Dets 20, 2005 1:59

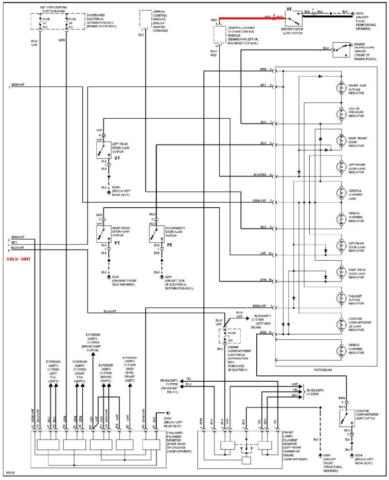
No nii, ajasin väheke näpuga järge skeemidel. Lisasin skeemidele väheke värve, et lihtsam arusaada oleks.
Ehk on mõnele teiselegi abi.
Enda Saabikul pean siis selgeks tegema, kas minu herkon toimib.
Enne peaks kinnitust küsima kas see on ikka skeemil herkon (mul on jälle see keelebarjäär :red: ).
Oletades, et on tuleb mul siis pista punane juhe massi/eemaldada massist ja siis võtmest keerata, kui toimib, siis oli herkoni viga ja tuleb seda lappima hakata.
Mikrolüliti kontrollimiseks tõmmata uks kinni, pista siis kas kollast või roosakamat juhet massi, kui sedasi toimib ja võtmest keerates mitte, on vaja putitama hakata lüliti kallal.

PS! punase ringiga märgitud elemente minu masinal tõenäoliselt ei ole, kuna mul puudub tehase signa, bensupaagi luugil mootorit ei ole kohanud, samuti ei ole kohanud aknatõstuki juures ühtki lülitit.
Ainuke, mis veidike arusaamatuks jääb mul kõrvalistuja ukse mikrolüliti. Milleks teda vaja on? See on ju paralleelselt juhiukse mikrolülitiga, kui nüüd kõrvalistuja ukse lukuaugus võtit keerata lülitub küll mikrolüliti kuid juhiukse herkon jääb "mõjutamata" ja aju ei tohiks ju uste avamiseks luba anda?:freak:

EDIT: või on see kõrvalistuja ukse mikrolüliti signalisatsiooni tarvis, näiteks kui luku südamik tahetakse titaanvõtmega sodiks keerata?

Lisatud failid
Vabandage neiu, mis kell on.... mul seisab
Factor
Postitusi: 701
Liitunud: N Okt 14, 2004 11:59
Asukoht:
Auto:

#28

T Dets 20, 2005 2:08

Algselt postitas: suur
Teemasse tagasi:

Enda autol pole piktogramm mitte kunagi juhiukse lahti/poolkinni olemist näidanud. Samas on signa täiesti töökorras, mistõttu eeldan ka herkon kontaktide töökorras olemist.
Kust sellisele veale lahendust otsida? Või äkki polegi viga? :freak:


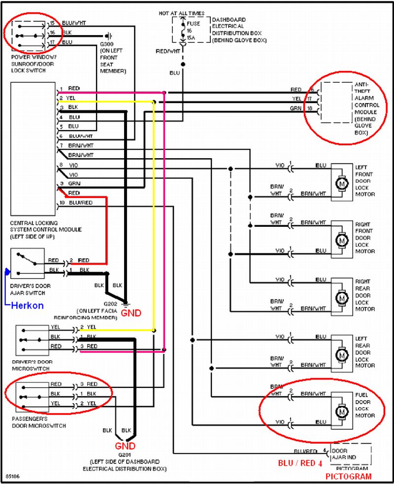
Siin saad proovida sedasi, et pistad või eemaldad (ei tea, kumb asend näitab ukse suletud või lahtiolekut) joonisel näidatud punase juhtme massi.

Lisatud failid
Vabandage neiu, mis kell on.... mul seisab
suur
Postitusi: 3923
Liitunud: T Mär 01, 2005 12:42
Asukoht:
Auto:

#29

T Dets 20, 2005 8:19

To sebastian, ptrt
Ärge siis unustage, et herkon asub lukustusmehhanismi küljes, mitte käepideme-luku juures. vt. qdwini lisatud pilti ülevaltpoolt. Ehk siis herkon lülitab vastavalt sellele kas uks on täiesti kinni või poolkinni. Käepideme küljes on mikrolüliti, mis lülitub võtmega avamisel ja saadab kesklukku avamise ja signa mahavõtmise signaali.
Vahepeal ajasite endal pead korralikult sassi.


Algselt postitas: Factor
Ainuke, mis veidike arusaamatuks jääb mul kõrvalistuja ukse mikrolüliti. Milleks teda vaja on? See on ju paralleelselt juhiukse mikrolülitiga, kui nüüd kõrvalistuja ukse lukuaugus võtit keerata lülitub küll mikrolüliti kuid juhiukse herkon jääb "mõjutamata" ja aju ei tohiks ju uste avamiseks luba anda?:freak:


Kõrvalistuja ukse mikrolüliti on ilmselt samuti signale märku andmiseks, et uks tehti võtmest lahti (sisenetakse lihtsalt teisest uksest). Võibolla juhib ka kesklukku. Signa võetakse niiöelda maha.
Juhiukse herkon (ja äkki ka teised herkonid??) ei lase autot signa alla panna, kui uks(ed) ei ole korralikult kinni. Noh et esimeses astmes vms. Usun et herkon signa mahavõtmist ei takista.
ptrt
Postitusi: 254
Liitunud: K Juun 09, 2004 17:54
Asukoht:
Auto:

#30

T Dets 20, 2005 9:34

Mmhm, hommikul värskema peaga mõeldes tundub asi juba loogilisena - herkonid on siiski piktogrammi jaoks ja uksepostide lülitid valgustuse jaoks. Juhiukse herkon blokeerib lisaks veel keskluku lukustamist ja signa pealepanekut, kui juhiuks lahti on. Kesklukku (ja vajadusel ka signat) juhivad esiuste linkide sees olevad mikrolülitid (kõrvalistuja oma on arvatavasti osadel puudu või lahtiühendatud).

Algselt postitas: suur
Enda autol pole piktogramm mitte kunagi juhiukse lahti/poolkinni olemist näidanud. Samas on signa täiesti töökorras, mistõttu eeldan ka herkon kontaktide töökorras olemist.


Kui piktogramm ukse lahtiolekut ei näita, siis arvaksid kesklukk ja signa, et uks on koguaeg kinni ja toimvadki enamus aega normaalselt. Mingi anomaalia võib tekkida, kui Sa üritaksid lahtise juhiuksega kesklukku sulgeda, normaalselt ei tohiks kesklukk üritadagi. Proovi, kas mootorid klõpsuvad.

/me läheb teeb natuke loomkatseid..

EDIT: loomkatsed näitasid, et minu autol (MY94) mõjutavad kesklukku nii juhi kui ka kõrvalistuja poolt võtme keeramine (peale lukkude lahtisulatamist ;) ). Kui juhiuks on lahti, siis kesklukk ei liigutagi, teistest ustest kesklukk ei hooli. Tehasesignat kahjuks pole.
suur
Postitusi: 3923
Liitunud: T Mär 01, 2005 12:42
Asukoht:
Auto:

#31

T Dets 20, 2005 9:54

Algselt postitas: ptrt
Algselt postitas: suur
Enda autol pole piktogramm mitte kunagi juhiukse lahti/poolkinni olemist näidanud. Samas on signa täiesti töökorras, mistõttu eeldan ka herkon kontaktide töökorras olemist.


Kui piktogramm ukse lahtiolekut ei näita, siis arvaksid kesklukk ja signa, et uks on koguaeg kinni ja toimvadki normaalselt. Mingi anomaalia võib olla, kui Sa üritaksid lahtise juhiuksega kesklukku sulgeda, normaalselt vist kesklukk ei peaks üritamagi. Proovi, kas mootorid klõpsuvad


Vovoh. Seda katsetangi. Kui peale läheb, siis herkon tuksis. Muidugi käega tuleb vist igaks juhuks ka valgustuse lülitit all hoida - see ka ju signaga seotud.

Kui herkon toimib, siis tuleb ilmselt piktogrammi/EDU pirnide kallale minna. Keegi teab mis sinna läheb? Jälle jootmine?
ptrt
Postitusi: 254
Liitunud: K Juun 09, 2004 17:54
Asukoht:
Auto:

#32

T Dets 20, 2005 10:02

Algselt postitas: suurVovoh. Seda katsetangi. Kui peale läheb, siis herkon tuksis. Muidugi käega tuleb vist igaks juhuks ka valgustuse lülitit all hoida - see ka ju signaga seotud.

Sul keskkonsoolil keskluku kinni-lahti nuppu pole, see sobiks proovimiseks ju oluliselt paremini kui signa? Või on mingi tehasesigna omapära, tahab keskluku lukustamisel alati peale minna?
suur
Postitusi: 3923
Liitunud: T Mär 01, 2005 12:42
Asukoht:
Auto:

#33

T Dets 20, 2005 10:11

Algselt postitas: ptrt
Sul keskkonsoolil keskluku kinni-lahti nuppu pole, see sobiks proovimiseks ju oluliselt paremini kui signa? Või on mingi tehasesigna omapära, tahab keskluku lukustamisel alati peale minna?


Sa katsetasid keskkonsooli nupu peal?
ptrt
Postitusi: 254
Liitunud: K Juun 09, 2004 17:54
Asukoht:
Auto:

#34

T Dets 20, 2005 11:16

Algselt postitas: suur
Sa katsetasid keskkonsooli nupu peal?

Kõige kolmega, juhi- ja kõrvalistuja uksel võtmega ja salongist nupuga.. [--edasine kustutatud, kuna sisaldas valeinfi--]

PARANDUS: kuna katsemetoodika oli alguses läbimõtlemata, siis sai täpsustatud - lahtise juhiukse korral salongi nupust kesklukku kinni lastes kesklukk ei kõssagi, juhiuksele võtmega lähenedes on lukk mehhaaniliselt blokeeritud ning kõrvalistuja uksele võtit näidates paneb kesklukk kõik küll kinni, kuid avab kohe uuesti (kuna juhiuks ei tule järgi, mehhaniline blokk ju).

Sorry algselt edastatud mitte-just-päris-täpse infi pärast.. :red:
sebastian
Operaator Kõps
Postitusi: 2130
Liitunud: T Nov 09, 2004 1:35
Asukoht:
Auto: 9000CDE '97

#35

T Dets 20, 2005 15:23

Proovisin kah ja tõesti, kõrvalistuja ukse lukku keerates reageerivad kõikide uste mootorid. Kustutasin eelmise postituse vale lause ära...
Vist ajas eksitusse see, et enne kui keskluku plokki üle jootsin, mõjus mootoritele ainult juhipoolse ukse lukk....kui üldse mõjus.

Järelikult siis ainult mikrolülitid annavad käskluse lahti-kinni ja need on loomulikult ainult esiustes. Ja ainult juhipoolse ukse herkon annab blokeeriva signaali.
Samas lülitid uste postides on kõik paralleelselt ja suunduvad laevalgustuse aegreleesse + signasse (kellel ta olemas)...ehk kui laevalgustus süttib, siis signa paneb samuti üürgama.

to ptrt: kui juhipoolne uks praokil, siis on herkon suletud (või avatud?) asendis ja annab juhtplokile info, et mikrolüliti (ehk siis võtme keeramine) ei mõjuks. Just nii nagu enne ütlesidki.
See Door Lock Switch keskkonsoolis nähtavasti imiteerib esiuste mikrolüliteid.

to suur: herkoni kontrollimiseks jah see punane Factori skeemil massi. Algul ukse seest (herkoni lähedalt) ja pärast juhtploki 9. kontakti lähedalt. Kui ikka ei sütti, siis 10. kontakt (roheline/valge juhe) kontrollmoodulil massi. Selgub kas kontrollmoodul ise funkkab.
Skeemilt on näha, et kõik piktogrammi lambid saavad ühele otsale +12V.

Aga et ainult juhipoolse ukse herkon läheb juhtplokki, siis ei tohiks teiste uste "praokil olek" midagi mõjutada...lukud peaksid ikka kinni minema?

(krt. oleks keskluku juhtploki ja signa skeem...aga ei ole ju...kogu aeg tuleb kõike ainult arvata :gun: )
Trionic
Saabiguru
Postitusi: 7089
Liitunud: N Veebr 26, 2004 20:37
Asukoht:
Auto:

#36

T Dets 20, 2005 16:08

to Sebastian:küsi ometi,mul ju kõik olemas ja kadedaks pole seni veel peetud.
sebastian
Operaator Kõps
Postitusi: 2130
Liitunud: T Nov 09, 2004 1:35
Asukoht:
Auto: 9000CDE '97

#37

T Dets 20, 2005 16:28

Tänud Trionic :beer:
suur
Postitusi: 3923
Liitunud: T Mär 01, 2005 12:42
Asukoht:
Auto:

#38

T Dets 20, 2005 17:50

Algselt postitas: ptrt
Algselt postitas: suurSa katsetasid keskkonsooli nupu peal?

Kõige kolmega, juhi- ja kõrvalistuja uksel võtmega ja salongist nupuga.. [--edasine kustutatud, kuna sisaldas valeinfi--]

PARANDUS: kuna katsemetoodika oli alguses läbimõtlemata, siis sai täpsustatud - lahtise juhiukse korral salongi nupust kesklukku kinni lastes kesklukk ei kõssagi, juhiuksele võtmega lähenedes on lukk mehhaaniliselt blokeeritud ning kõrvalistuja uksele võtit näidates paneb kesklukk kõik küll kinni, kuid avab kohe uuesti (kuna juhiuks ei tule järgi, mehhaniline blokk ju).

Sorry algselt edastatud mitte-just-päris-täpse infi pärast.. :red:


Katsetasin. Kesklukk/signa läheb igast asendist ja iga meetodiga peale. On see juhiuks kinni või lahti. Vähemalt tean kust asja harutama hakata.
lauri9000
Postitusi: 22
Liitunud: T Dets 26, 2006 15:20
Asukoht:
Auto:

#39

K Jaan 10, 2007 18:48

Mul hakkas ka sihuke jama päris tihti on nii, et kesklukk ei lähe peale ei puldist ega ka seal salongis olevast nupust. Oskab keegi seda seletada millest see tuleneda võib. Armatuuris löövad uste tuled põlema kui lahti on. Ja ka juhiukses võtit keerates ei pane kinni.
suur
Postitusi: 3923
Liitunud: T Mär 01, 2005 12:42
Asukoht:
Auto:

#40

K Jaan 10, 2007 19:12

ahaa, juhiukse herkon andur jukerdab ning näitab, et uks jäi lahti. Signa arvab, et juhiuks lahti ja ei lähe peale.

EDIT: Lauri probleem toodud siia ühest teisest teemast
Trionic
Saabiguru
Postitusi: 7089
Liitunud: N Veebr 26, 2004 20:37
Asukoht:
Auto:

#41

K Jaan 10, 2007 20:01

Tihti lihtsalt külmjooted moodulis.
jakobj
Postitusi: 25
Liitunud: P Apr 24, 2005 11:35
Asukoht:
Auto:

#42

K Apr 25, 2007 7:59

Väike mure kah kesklukuga.
Kõik töötas laitmatult, kuid pannud uksed lukku peale sõitu seisis päeval, õhtul uuesti sõitma minnes, ei ava uksi enam puldist. Nii. Pagassi teeb lahti nupust puldi peal, ja suunad ka vilguvad nagu peavad kui nuppu vajutada, aga uksed jäävad lukku.
Võtmest saab sisse.
Ise arvan, et tegu ka vb kuskil niiskusega, kuna oli vihmane päev. Ja peale seda enam ei avanenud. Võibolla sadas kuskile ukse vahele, kui uks lahti oli. Vms.

Jakob
suur
Postitusi: 3923
Liitunud: T Mär 01, 2005 12:42
Asukoht:
Auto:

#43

K Apr 25, 2007 8:15

Algselt postitas: jakobj
Võtmest saab sisse.

Kui juhiust võtmega avad, kas siis avanevad ka teised uksed (kas kesklukk võtmest toimib) või avaneb ainult juhiuks?
Vasta