Ülevaatuse onud ütlesid (ja on ka kuulda ning tunda), et juhipoolse õõtshoova tagumine puks on läbi.
Muidu võiks ka esisild tihedam olla. Rooliotsad ja stabikavarda puksid on vahetatud.
Nüüd minu küsimus. Kas õõtshoovapuksid on mõtekas kõik korraga ära vahetada või piisab ainult õõtsa tagumiste pukside vahetusest? Mida kogemus ütleb?
Siin on millalgi juttu olnud ka polüst....puksidest. On nad rohkem raha väärt ja palju hinnavahe on?
esisillapuksindus 9 kilosel
Tavaliselt hävitab liiga vedel tagumine puks esipuksi silumiinist "toed"-need pudenevad tolmuks.
Tag. puks 350.-
Es.puks 200.-
Tugi 2 X 100.-
Uretaanpukse,kui korrapäraselt määrida polegi vist võimalik sodiks sõita.Esimesed sellised paigaldasin 10.a. tagasi ja peale puhastamist-määrimist on nagu uued tänaseni.
Tag. puks 350.-
Es.puks 200.-
Tugi 2 X 100.-
Uretaanpukse,kui korrapäraselt määrida polegi vist võimalik sodiks sõita.Esimesed sellised paigaldasin 10.a. tagasi ja peale puhastamist-määrimist on nagu uued tänaseni.
Saabidega seotud voodoo ja -abi
www.ferdinand.ee – Autodiagnostika – SAAB diagnostika, remont ja elektritööd – AAC Ferdinand OÜ - tel. 5272989
www.ferdinand.ee – Autodiagnostika – SAAB diagnostika, remont ja elektritööd – AAC Ferdinand OÜ - tel. 5272989
-
qdwin
- Jaan Tatikas
- Postitusi: 2351
- Liitunud: T Sept 28, 2004 19:42
- Asukoht: Tallinn ja Elva
- Auto: Mõned Aerod ja kui Hemi on lahke siis Klassikud
Kas nad sellise pika aja jooksul kõvast päris kivikõvaks ei lähe?Algselt postitas: Trionic
Uretaanpukse,kui korrapäraselt määrida polegi vist võimalik sodiks sõita.Esimesed sellised paigaldasin 10.a. tagasi ja peale puhastamist-määrimist on nagu uued tänaseni.
Tunde järgi küll mitte,aga kahtlemata pole need segud keemiliselt ja füüsikaliselt
igikestvad.Kindlasti toimuvad mingid struktuurimuutused aja jooksul.Lihtsalt võrreldamatu kestvus võrreldes kummipuksidega.
Hind on ca. 2,5 X kummi omast,seega aastaga oled juba võidus;)
igikestvad.Kindlasti toimuvad mingid struktuurimuutused aja jooksul.Lihtsalt võrreldamatu kestvus võrreldes kummipuksidega.
Hind on ca. 2,5 X kummi omast,seega aastaga oled juba võidus;)
Saabidega seotud voodoo ja -abi
www.ferdinand.ee – Autodiagnostika – SAAB diagnostika, remont ja elektritööd – AAC Ferdinand OÜ - tel. 5272989
www.ferdinand.ee – Autodiagnostika – SAAB diagnostika, remont ja elektritööd – AAC Ferdinand OÜ - tel. 5272989
-
qdwin
- Jaan Tatikas
- Postitusi: 2351
- Liitunud: T Sept 28, 2004 19:42
- Asukoht: Tallinn ja Elva
- Auto: Mõned Aerod ja kui Hemi on lahke siis Klassikud
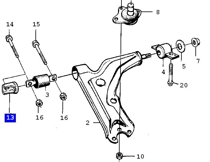
Puruneb pos nr 13, minu omal leidsid ülevaatuse mehed selle jäänused aga ei osanud arvata kust ta võiks pärit olla.
Polüuretaan puks pannakse enamalt jaolt nr 4 silumiinraami sisse, lõigates ennem kogu kummi seest välja. See puks peab vastu võtma nii pikki kui risti koormust. Kui ta on väsinud hakatakse sõidu ajal nr 3 ja seeläbi nr13 puruks peksma.
Lisatud failid
Polüuretaan puks pannakse enamalt jaolt nr 4 silumiinraami sisse, lõigates ennem kogu kummi seest välja. See puks peab vastu võtma nii pikki kui risti koormust. Kui ta on väsinud hakatakse sõidu ajal nr 3 ja seeläbi nr13 puruks peksma.
Lisatud failid
Pressi on vaja nii välja-,kui sisse surumisel.
Saabidega seotud voodoo ja -abi
www.ferdinand.ee – Autodiagnostika – SAAB diagnostika, remont ja elektritööd – AAC Ferdinand OÜ - tel. 5272989
www.ferdinand.ee – Autodiagnostika – SAAB diagnostika, remont ja elektritööd – AAC Ferdinand OÜ - tel. 5272989
