1. leht 1-st
tagurpidikäigu tuli lühises
Postitatud: K Sept 14, 2005 12:32
Postitas Trionic
lüliti asub kasti küljes suunaga juhi jalgade poole täpselt ABS pumba all.
lühis võib olla kus iganes.tõmba anduri pistik lahti,pane kaitse sisse ja lülita tagumine käik-äkki on anduris massilühis?
tagurpidikäigu tuli lühises
Postitatud: K Sept 14, 2005 12:36
Postitas Gunn
Mul oli ca aasta tagasi sama jama - ilmselt on ka sul ära koolnud tagumise käigu lüliti. Vahetus võttis aega mõne minuti ja lüliti ise maksis ka 50 krooni ringis, iseasi kas mõnel varuosapoel (eriti Tartus) kohapeal see kohe võtta on.
Ehk keegi oskab täpsemalt selgitada, kus see lüliti asub, minu võhiklikust seletusest jääks ilmselgelt väheks

tagurpidikäigu tuli lühises
Postitatud: K Sept 14, 2005 12:38
Postitas suur
Algselt postitas: Trionic
lüliti asub kasti küljes suunaga juhi jalgade poole täpselt ABS pumba all.
lühis võib olla kus iganes.tõmba anduri pistik lahti,pane kaitse sisse ja lülita tagumine käik-äkki on anuris massilühis?
Odot. kuidas see asi täpselt toimib. Kas andur mitte ei lülita tulele massi peale? Kas peetis anduri tulemus ei peaks olema mitte tule jäädav põlemine/mittepõlemine?
Kui "+" juhe enne tuleni jõudmist lühisesse läheb, siis peaks kaitsme läbi põletama?
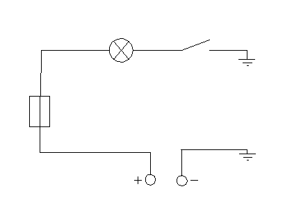
Kas minu joonistatud algelise skeemi idee on õige?
Pole el. skeemi joonistamist eriti kuskil õppinud. Nii et ki on mingi põhimõtteline viga, siis ehk antakse andeks
Lisatud failid
tagurpidikäigu tuli lühises
Postitatud: K Sept 14, 2005 13:09
Postitas duesenberg
skeem oleks veelgi parem, kui vahetaksid ära lüliti ja lambi asukohad.
A muidu väga hea skeem
Kod. Suur on meil tõsine CAD rakenduste käpp. Las ma arvan - arhitekt?
tagurpidikäigu tuli lühises
Postitatud: K Sept 14, 2005 13:24
Postitas suur
Algselt postitas: duesenberg
skeem oleks veelgi parem, kui vahetaksid ära lüliti ja lambi asukohad.
A muidu väga hea skeem

Selge. siis lülitile tuleb kogu aeg vool peale ja see minu eelmise postitise jutt on mõttetu.
Kod. Suur on meil tõsine CAD rakenduste käpp. Las ma arvan - arhitekt?
Eip. mehaanik
tagurpidikäigu tuli lühises
Postitatud: K Sept 14, 2005 16:56
Postitas Trionic
Lüliti käib keerates ,ja vanadusest hekkavad nad õli läbi laskma,samuti ka õlirõhuandurid,mis autodel tihti leemendavad õlist.
tagurpidikäigu tuli lühises
Postitatud: N Okt 13, 2005 6:13
Postitas Trionic
Ja kõk on rahul jälle....
