Tagavedrude vahetus cl 900-l
Sihuke lugu, et tahaks oma Tupsul tagavedrud ringi lüüa - on uued juba kodus ootamaski.
Aga ega ma tegelikult päris täpselt teagi, kuidas see protseduur samm-sammult käib ja kas seal ka mingeid kavalaid nõkse on, mida teadmata asja kuidagi untsu võib keerata. Ehk on kellelgi teadjatest-praktikutest, kel asi käpas, aega mulle see nn "puust ja punaseks" meetodil ära seletada.
:freak:
Aga ega ma tegelikult päris täpselt teagi, kuidas see protseduur samm-sammult käib ja kas seal ka mingeid kavalaid nõkse on, mida teadmata asja kuidagi untsu võib keerata. Ehk on kellelgi teadjatest-praktikutest, kel asi käpas, aega mulle see nn "puust ja punaseks" meetodil ära seletada.
:freak:
Ega nii pole kunagi olnd, et kuidagi ei saa, kuidagi ikka SAAB! :P
Nojah, sellist abivahendit mul paraku pole :(, järelikult tuleb vist ikkagi mõne töökoja poole pöörduda - ma just lootsin et selle asjaga on võimalik ise toime tulla ...
Hoplaale: julge mees!, ma Al-traadiga igatahes ei riski - kui siis ehk teras vms, mille tõmbetugevus vähe suurem, aga ma mõtlen selle üle...
Hoplaale: julge mees!, ma Al-traadiga igatahes ei riski - kui siis ehk teras vms, mille tõmbetugevus vähe suurem, aga ma mõtlen selle üle...
Ega nii pole kunagi olnd, et kuidagi ei saa, kuidagi ikka SAAB! :P
Algselt postitas: Ryhkija
Hoplaale: julge mees!, ma Al-traadiga igatahes ei riski - kui siis ehk teras vms, mille tõmbetugevus vähe suurem, aga ma mõtlen selle üle...
Traadiga saab küll, nadi on, aga siiski tehtav. Iseenesest tee või nööriga. Väike talisüsteem ja küll ta vedru kokku surub.
Kas seal mingeid amordipukse vms. ei tule vedrudega seoses ära vahetada? Noh et kui juba lahti on, siis vahetaks selle (ja selle ja selle) jupi kah ära.
EDIT: Ah ei, klassikul ju amordid vedrude kõrval mitte sees
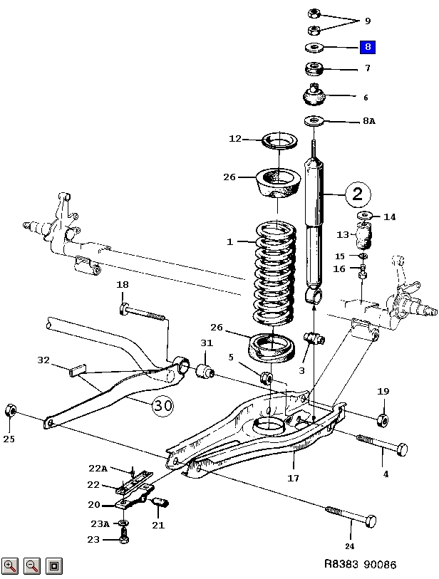
Pilt EPC-st jah
vaata sealt teemast kuidas EPC-d saada:
http://saabnet.ee/foorum/viewthread.php?tid=1913&page=1#pid18145
vaata sealt teemast kuidas EPC-d saada:
http://saabnet.ee/foorum/viewthread.php?tid=1913&page=1#pid18145
-
Cyber
- Täiesti Mõttetu Mölaööbik
- Postitusi: 13953
- Liitunud: K Mär 03, 2004 9:25
- Asukoht: Tallinn
- Auto: 9000 '96, V70 '03
- Kontakt:
Algselt postitas: suur
Pilt EPC-st jah
vaata sealt teemast kuidas EPC-d saada:
http://saabnet.ee/foorum/viewthread.php?tid=1913&page=1#pid18145
noh, selgituseks olgu öeldud, et seal teises teemas toodud lingi taga ei peitu enam midagi..:)
Not Found
The requested URL /EPC/saab_epc2003.iso was not found on this server.
Apache/1.3.31 Server at saabfaq.net.ru Port 80
pole seal üldse mingeid erilisi vahendeid vaja et vahetada vedrut. 1: võta ära ratas 2:keera lahti amordi üks otsadest , 3: aseta tagumise õõtshoova esimese otsa alla trapets tungraud, 4: keera lahti 2 polti mis hiavad õõtshooba eespoolt kere küljes kinni ,5: lase nüüd õõtshoob trapets tungraua abil allapoole kuni vedru vabaneb, 6:võta vana vedru ära ja pane uus asemele ja siis vastupidises järjekorras kinni tagasi. Töö võtab aega ehk mingi 10-15 min.
Millest me räägime? ei classicul,ei tonnisel pole vaja mingeid tõmmitsaid,ega abinõusid.Sillatala "kiige" liblikpuksi 2 polti põhja küljest lahti,mugavam on teha,kui paralleelvarras lahti lasta ja classicul amort altpoolt,15 min. on ühe vedru vahetus tonnisel ja classicul ei võta ka üle poole tunni.hea oleks tõsteabinõu,et sillatala /kere/varraste,jne. poldiavad kohakuti saada.
näe krt.-ette jõuti:P
näe krt.-ette jõuti:P
Saabidega seotud voodoo ja -abi
www.ferdinand.ee – Autodiagnostika – SAAB diagnostika, remont ja elektritööd – AAC Ferdinand OÜ - tel. 5272989
www.ferdinand.ee – Autodiagnostika – SAAB diagnostika, remont ja elektritööd – AAC Ferdinand OÜ - tel. 5272989
- ivomets
- Vanasaabikala
- Postitusi: 7438
- Liitunud: N Apr 22, 2004 18:39
- Asukoht: Suvepealinn
- Auto: Saab 96 , Saaburu, Subaru
yks võimalus vedrusi vahetada on parema poole oma( kui olla näoga siiapoole) panna vasakule ja see mis yle jääb paremale.
kahjuks jäin ka oma postitusega hiljaks kuna peaaegu kõik variandid olid juba ära ennem mind pakutud, siis siiski leidsin veel yhe mooduse.
loodan, et on abi!
kahjuks jäin ka oma postitusega hiljaks kuna peaaegu kõik variandid olid juba ära ennem mind pakutud, siis siiski leidsin veel yhe mooduse.
loodan, et on abi!
KUI AUTO ON KATGI TOO OMA AUTO IVOMETSA SOJA GARAZI
Keevitan, värvin, keeran mutreid kinni ja lahti.
Algselt postitas: ivomets
yks võimalus vedrusi vahetada on parema poole oma( kui olla näoga siiapoole) panna vasakule ja see mis yle jääb paremale.
kahjuks jäin ka oma postitusega hiljaks kuna peaaegu kõik variandid olid juba ära ennem mind pakutud, siis siiski leidsin veel yhe mooduse.
loodan, et on abi!
Äkki soovitaksid siis juba võtta vasak esimene vedru ja vahetada see parema tagumise vedruga ning vastupidi. :P


